General Information | |
Material: Vinyl | |
Mounting Type: Snap Over | Cleats: Yes |
Bellows: 0 | Suggested Use: Pick and Place |
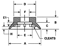
![]() | Style B Dimensions | in | mm |
Dimension A | 1.18 | 30 | |
Dimension B | 0.29 | 7.4 | |
Dimension C | 0.21 | 5.3 | |
Dimension D | 0.6 | 15.2 | |
Dimension E | 0.39 | 9.9 | |
Dimension E1 | 0.04 | 1 | |
Dimension F | 0.28 | 7.1 | |
Dimension H | 0.01 | 0.3 |
MATERIAL SPECIFICATIONS | ||||
Material | Working Temperature | Wear Resistance | Oil Resistance | Durometer |
Vinyl | +32 - +125 F | Excellent | Fair | A20 - A70 Range |
FDA Vinyl | +32 - +125 F | Excellent | Fair | A20 - A70 Range |
Oil Resistant FDA Vinyl | +32 - +125 F | Good | Excellent | A40 - A60 Range |
Polyurethane | +32 - +150 F | Good | Good | A20 - A70 Range |
Silicone | -50 - +400 F | Good | Good | A40 - A55 Range |
FDA Silicone | -50 - +400 F | Good | Good | A40 - A55 Range |