Blue Vinyl Vacuum Cup .75H x 1.53W x .25B Style B

Blue Vinyl Vacuum Cup .75H x 1.53W x .25B Style B

Part Number: VC-37 1/4H
 Dimensions in mm
Outer Lip Diameter 1.53 38.9
 Mounting Stem I.D. 0.25 6.4
Overall Height 0.75 19.1
Contact us for pricing
 General Information
 Material: Vinyl  
 Mounting Type: Snap Over  Cleats: Yes
 Bellows: 0   Suggested Use: Pick and Place

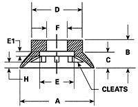
   Style B Dimensions in mm
Dimension A 1.53 38.9
Dimension B 0.75 19.1
Dimension C 0.37 9.4
Dimension D 0.85 21.6
Dimension E 0.56 14.2
Dimension E1 0.21 5.3
Dimension F  0.25 6.4
Dimension H 0.25 6.4

MATERIAL SPECIFICATIONS
 Material Working
Temperature
Wear
Resistance
Oil Resistance Durometer
 Vinyl +32 - +125 F Excellent Fair A20 - A70 Range
FDA Vinyl +32 - +125 F Excellent Fair A20 - A70 Range
Oil Resistant FDA Vinyl +32 - +125 F Good Excellent A40 - A60 Range
Polyurethane +32 - +150 F  Good  Good  A20 - A70 Range
 Silicone -50 - +400 F   Good  Good  A40 - A55 Range
 FDA Silicone -50 - +400 F  Good  Good  A40 - A55 Range