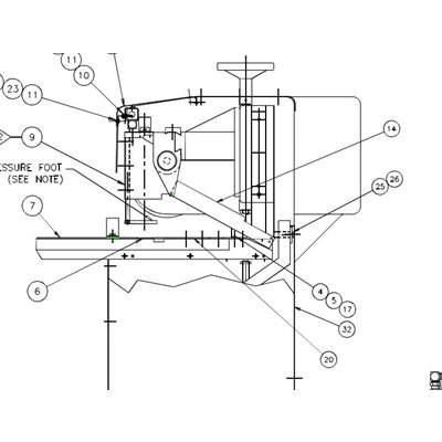
Challenge MS-10 Large Hole Conversion Kit (Hole Sizes 9/16" - 1.5")
Mouse over the image to zoom. Double-tap and hold to zoom.
Challenge Machinery
Challenge Machinery

Challenge MS-10 Large Hole Conversion Kit (Hole Sizes 9/16" - 1.5")

Part Number: A-6500-7
Average Rating:

The MS-10 Large Hole Conversion kit allows drilling of one or two holes up to 1-1/2” diameter.

Supports 9/16", 5/8", 3/4", 1", 1-1/4", 1-3/8" and 1-1/2" diameter bits

Up to (1) additional drill head can be integrated for 2 holes

 

 

Note: Only compatible with Challenge MS-10 model paper drills

Sale Price $5,988.27 /EACH
  • Machine Model Challenge MS-10
EACH
Online Availability
Availability: Available to Order

Documents

Installation Instructions

Kit Contents

Kit Contents  
A-6500-7 SHT 5 BLUEPRINT OF ASSEMBLY 1
H-5239-12 3/4-16 LT TH FLEX LOCK NUT 1
6670 LABEL 1
6672 PAPER GUIDE 2
H-6910-606 3/8-16 X 3/4 BUTT HD SCR 4
H-7324-12 3/8 SHAKEPROOF LOCKWASHER 4
6669 CUTTING BLOCK - PLASTIC 6
6667 TABLE ADAPTOR - FRONT 1
H-7322-#10 WASHER - #10 POLISHED FL 4
A-6594-7 LARGE DIA DRILL HD ASSY 1
H-6923-102420 #10-24 X 1-1/4 LG RD HD SCR 2
H-6423-#10 #10-24 HEX NUT 6
H-7324-#10 #10 INT TOOTH LOCK WASHER 6
6639-1 COVER - FRONT 1
A-6538 CHUTE - CHIP REF
S-887 3/8 X 90 DEG CONN (NOT SHOWN) 1
S-1122-1 3/8 INS. SLEEVE AS -1 (NOT SHOWN) 2
H-7322-6 WASHER - 3/8 POLISHED FL 4
B-180 3 X 5 MAIL BAG (NOT SHOWN) 1
E-2196-11 KNOCK-OUT PLUG (NOT SHOWN) 1
6668 TABLE ADAPTER - REAR 1
W-134 WRENCH - 7/32 (NOT SHOWN) 1
4687 DRIFT (NOT SHOWN) 2
6642 SUPPORT - SHIELD (SEE NOTE #3) REF
E-807 3/8" EX. FLEX CONDUIT (NOT SHOWN) 0.5
H-6405-1-616 3/8 X 2" NIPPLE, BLK EX HVY 2
H-6913-624 3/8-16 X 3" HEX HD SCR 2
H-6910-102403 #10-24 X 3/8 BUTT HD SCR (QTY 3) REF
Average Rating:
Be the first to rate this product.
(Based on 0 vote)
Review this product:

You May Also Be Interested In

List of suggested products: You May Also Be Interested In.
Drill-Ease Lubrication Stick
Drill-Ease Lubrication Stick
Part Number: WAX
List of volume pricing for product Drill-Ease Lubrication Stick.
1
Sale Price $3.25 /EACH
12
Sale Price $2.95 /EACH
EACH
Challenge Drill Drift Remover
Challenge Drill Drift Remover
Part Number: 4687
Sale Price $16.00 /EACH
EACH
Challenge MS-10 Large Hole Drill Head (Hole Sizes 9/16" - 1.5")
Challenge MS-10 Large Hole Drill Head (Hole Sizes 9/16" - 1.5")
Part Number: A-6594-7
Sale Price $5,488.00 /EACH
EACH
Mystik JT6 High Temp Drill Head Grease - 14 oz.
Mystik JT6 High Temp Drill Head Grease - 14 oz.
Part Number: MYSTIK JT6
Sale Price $10.25 /EACH
EACH
Challenge Drill Bit Jumbo 1-3/8" Steel
Challenge Drill Bit Jumbo 1-3/8" Steel
Part Number: STJUMBO-C1-3/8
Sale Price $300.00 /EACH
EACH
Drill Blocks Challenge Plastic 2" x 6" x 1/8", 1 Dozen
Drill Blocks Challenge Plastic 2" x 6" x 1/8", 1 Dozen
Part Number: CBLOCKP
Sale Price $23.08 /DOZ.
DOZ.

Recently Viewed

List of suggested products: Recently Viewed.