Motor Assemblies
Click part numbers in the diagram for product pages

Guard Assembly
Click part numbers in the diagram for product pages

Internal Assemblies
Click part numbers in the diagram for product pages

External Assemblies
Click part numbers in the diagram for product pages

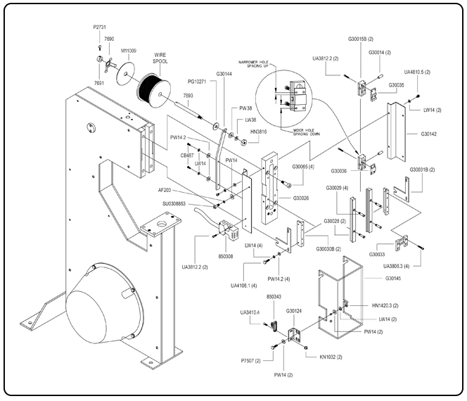
Wire and Guard Assemblies
Click part numbers in the diagram for product pages
