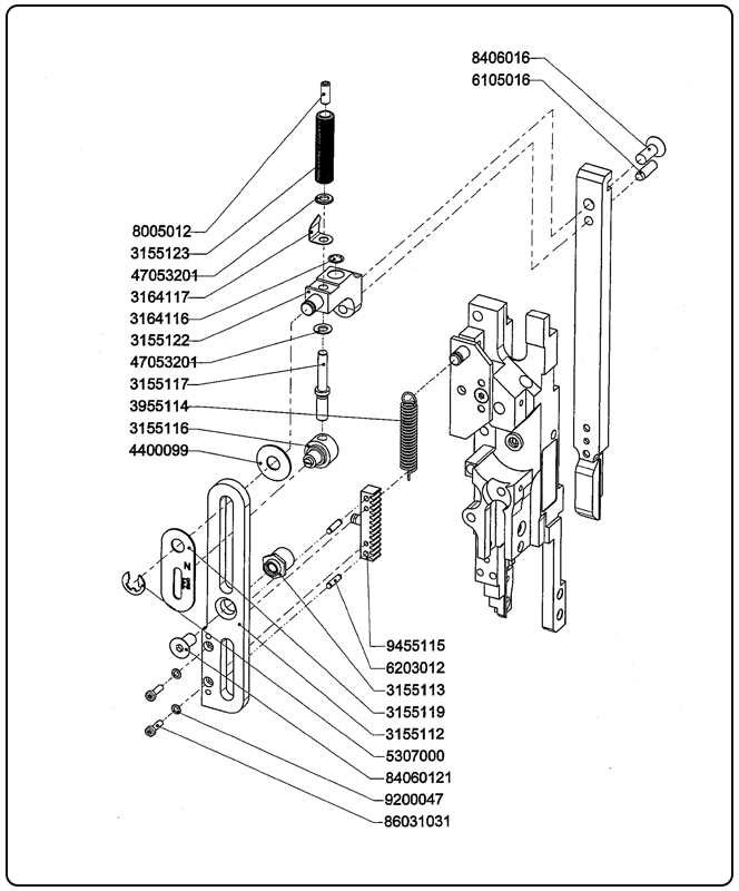
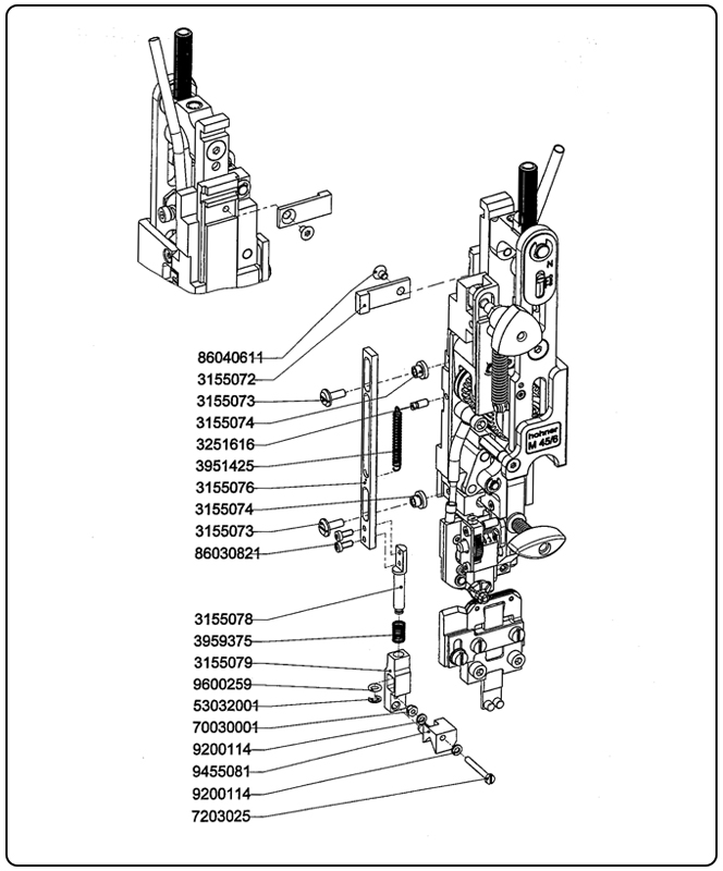
M45/6 (2006) Stitcher Head
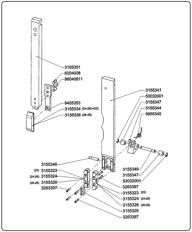
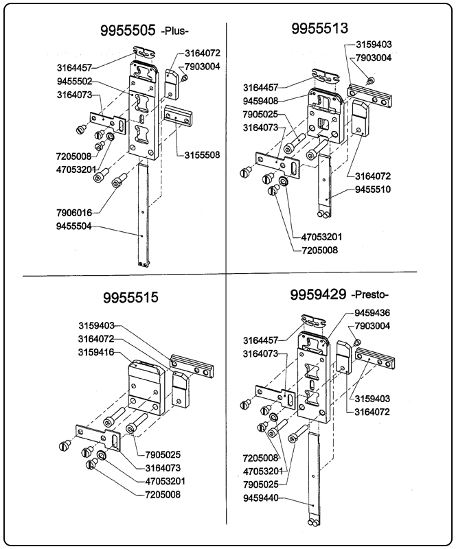
Click numbers in the diagram for product pages

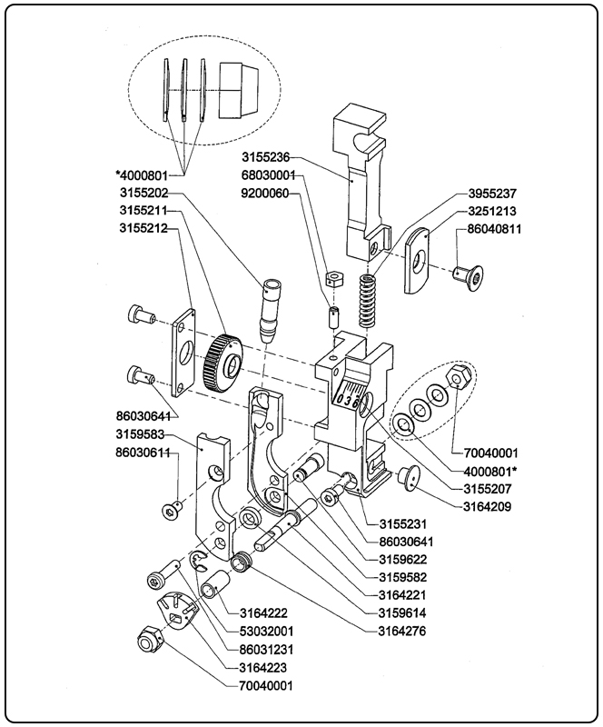
Click numbers in the diagram for product pages

Click numbers in the diagram for product pages

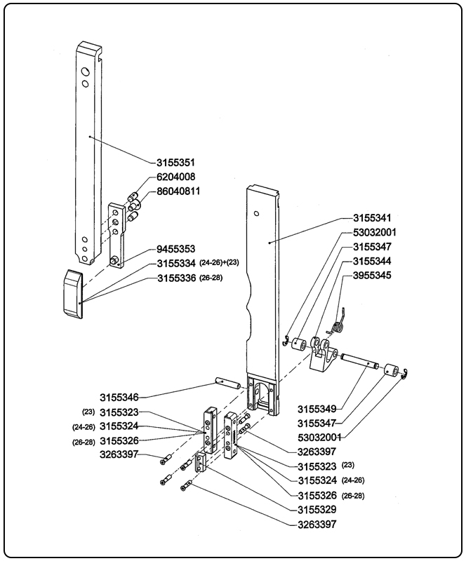
Click numbers in the diagram for product pages

Click numbers in the diagram for product pages
Click numbers in the diagram for product pages

Click numbers in the diagram for product pages

Click numbers in the diagram for product pages

Click numbers in the diagram for product pages

Click numbers in the diagram for product pages

Click numbers in the diagram for product pages

Click numbers in the diagram for product pages

Click numbers in the diagram for product pages
