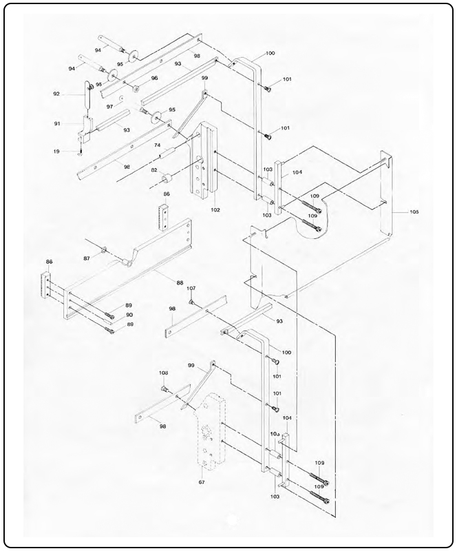
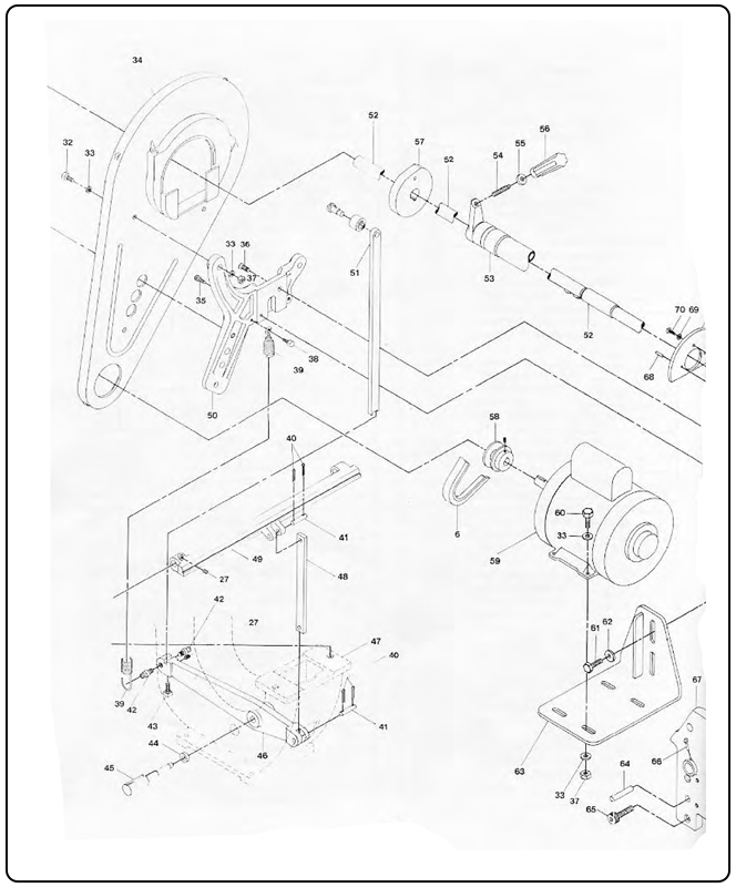
Model 17AW

Click part numbers in the diagram for product pages. Due to the detailed content of this machine, we have broken the diagram down into separate images for easier viewing.