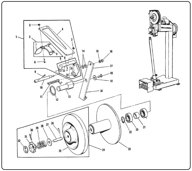
Coil Holder Assembly
Click part numbers in the diagram for product pages

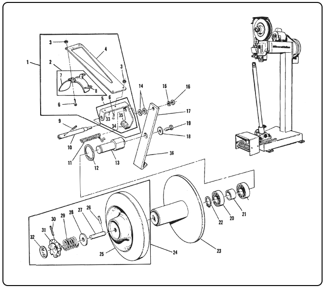
Head Plate Assembly
Click part numbers in the diagram for product pages

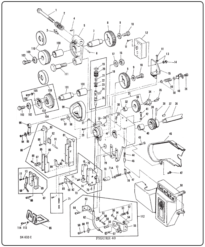
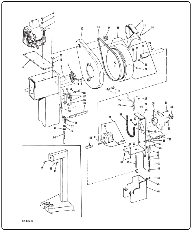
Clutch and Drive Assembly
Click part numbers in the diagram for product pages

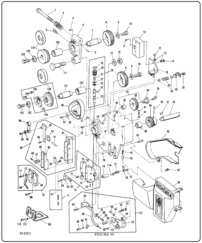
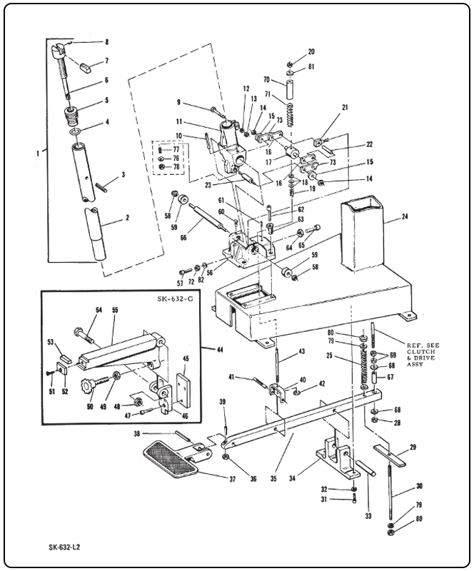
Frame, Pedal, Arm & Post Assembly
Click part numbers in the diagram for product pages
