Stitcher Head Assembly
Muller Martini
Muller Martini

Stitcher Head Assembly

Part Number: DB75HD251/2

The DB75 is a high-quality alternative replacement for Muller HK75 stitcher heads - Muller #'s 0881.8170 & 0881.8070. Almost all parts are interchangeable between the DB75 and Muller original HK75 heads.

Includes the stitcher head, clincher assembly and wire guide.

Sale Price $2,480.00 /EACH
EACH
Online Availability
Availability: Available to Order

Specifications

Technical Data
Max Capacity: 2 sheets to 5mm 
Crown Width: 13mm
Wire Sizes: 25 gauge round (0.6mm)
Minimum Center-to-Center: 75mm
Clincher Assembly: 2" tall square
Machines: 221, 231, 235, 300, 335, 890 Fox, Bravo T, Prima (built before 2004)

 

Documents

 
Operation Manual

 

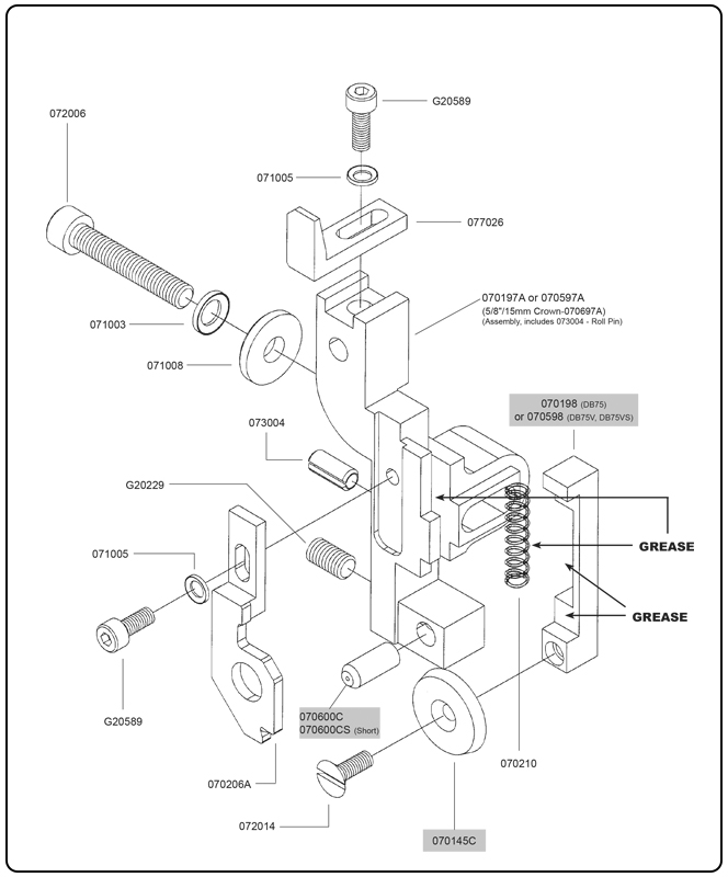
Bonnet and Wire Guide Spring, Sub-Assemblies

Click part numbers in the diagram for product pages

Driver and Bender Inserts

Click Part Numbers in the diagram for product pages

Cutter Box Assembly

Click part numbers in the diagram for product pages

 

Feed Gear Assembly

Click part numbers in the diagram for product pages

 

Wire Holder Assemblies

Click part numbers in the diagram for product pages

 

Standard Clincher Plate

Click part numbers in the diagram for product pages

 

Recently Viewed

List of suggested products: Recently Viewed.