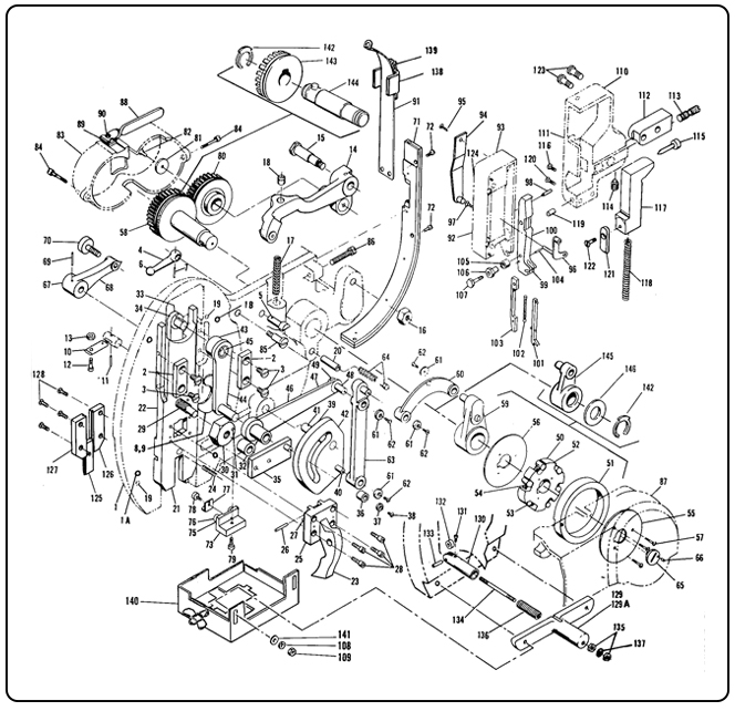
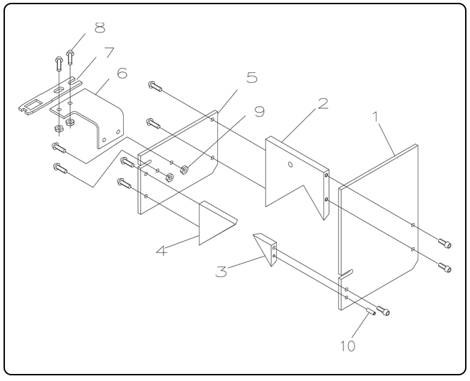
Click part numbers in the diagram for product pages

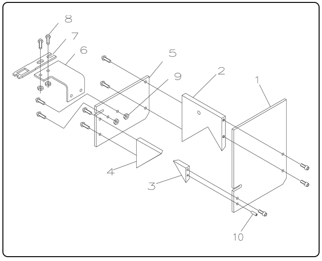
Click part numbers in the diagram for product pages

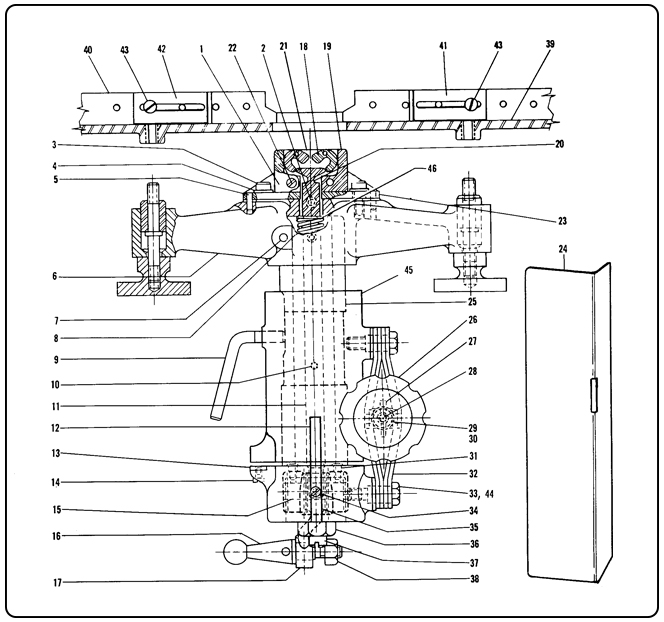
Click part numbers in the diagram for product pages

Click part numbers in the diagram for product pages

Click part numbers in the diagram for product pages

Click part numbers in the diagram for product pages

Click part numbers in the diagram for product pages
