Muller Martini
| Technical Data | |
|---|---|
| Max Capacity: | 2 sheets to 3mm |
| Crown Width: | 10mm |
| Wire Sizes: | 25 gauge round (0.6mm) |
| Minimum Center-to-Center: | 45mm |
| Clincher Assembly: | 4.8" tall rectangle |
| Machines: | Bravo Plus, Prima (built after 2004) |
| |
| DB75 Operators Manual |
| |
| Operation Manual |
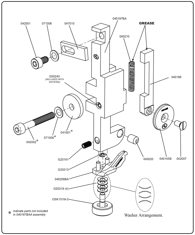
Click part numbers in the diagram for product pages

Click part numbers in the diagram for product pages

Click part numbers in the diagram for product pages

Click part numbers in the diagram for product pages

Click part numbers in the diagram for product pages

Click part numbers in the diagram for product pages

Click part numbers in the diagram for product pages
