Deluxe Stitcher
| Technical Data | |
|---|---|
| Max Capacity: | 2 sheets to 13/64" (5mm) |
| Crown Width: | 1/2" |
| Wire Sizes: | 25 gauge round |
| Minimum Center-to-Center: | 1-1/2" (38mm) |
| Speed: | 12,000 stitches / hour |
| Machines: | Plockmatic |
| |
| G5 Operators Manual |
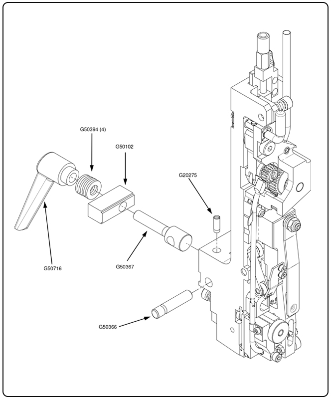
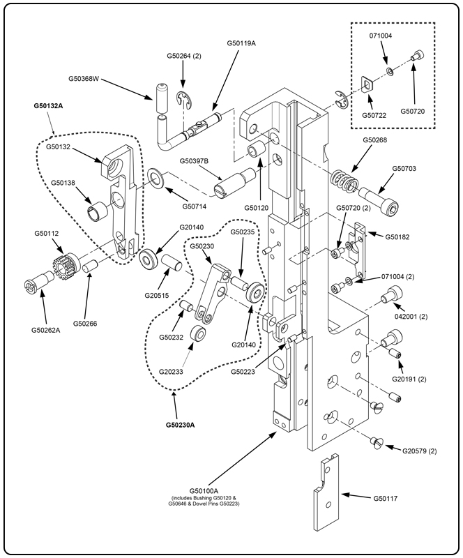
Click part numbers in the diagram for product pages

Click part numbers in the diagram for product pages

Click part numbers in the diagram for product pages

Click part numbers in the diagram for product pages

Click part numbers in the diagram for product pages

Click part numbers in the diagram for product pages

Click part numbers in the diagram for product pages
